Sản xuất công nghiệp ngày càng đòi hỏi sự ổn định và chính xác ở từng khâu vận hành, đặc biệt là nguồn khí nén phục vụ máy móc. Thiết kế hệ thống máy nén khí nhà xưởng vì vậy trở thành nền tảng quyết định hiệu suất sản xuất, mức tiêu thụ điện năng và chi phí vận hành lâu dài. Một phương án thiết kế phù hợp giúp hệ thống hoạt động bền bỉ, hạn chế rủi ro gián đoạn và sẵn sàng đáp ứng nhu cầu mở rộng.
Bài viết dưới đây sẽ phân tích các yếu tố cốt lõi và kinh nghiệm thực tế giúp doanh nghiệp triển khai hệ thống khí nén hiệu quả ngay từ đầu.
Tầm quan trọng của thiết kế hệ thống máy nén khí nhà xưởng
Một hệ thống khí nén được tính toán bài bản mang lại 4 giá trị lớn:
- Tối ưu hiệu suất sản xuất: Áp suất, lưu lượng ổn định giúp thiết bị vận hành trơn tru.
- Tiết kiệm năng lượng: Giảm thất thoát, hạn chế sụt áp, tránh đầu tư dư thừa.
- An toàn vận hành: Giảm rủi ro cháy nổ, quá tải điện và hỏng hóc thiết bị.
- Chi phí dài hạn thấp: Ít sửa chữa đột xuất, dễ bảo trì và nâng cấp.
Do đó, thiết kế hệ thống máy nén khí nhà xưởng luôn cần được triển khai song song với khảo sát thực tế và định hướng sản xuất dài hạn.

7 Bước chuẩn trong thiết kế hệ thống máy nén khí nhà xưởng
Bước 1: Thống kê, xác định nhu cầu khí nén
Đây là bước quan trọng nhất. Kỹ sư cần thống kê toàn bộ thiết bị sử dụng khí nén, xác định:
- Lưu lượng tiêu thụ (CFM hoặc m³/phút)
- Áp suất làm việc (bar)
- Thời gian vận hành đồng thời
Việc tính đúng lưu lượng giúp lựa chọn chính xác công suất máy nén khí, tránh tình trạng thiếu khí gây gián đoạn sản xuất hoặc dư công suất gây lãng phí điện năng. Thực tế triển khai cho thấy nên cộng thêm 10–20% hệ số dự phòng để đảm bảo ổn định và sẵn sàng mở rộng.
Bước 2: Xác định yêu cầu chất lượng khí nén
Chất lượng khí nén phụ thuộc trực tiếp vào ngành nghề:
- Y tế, dược, thực phẩm: Bắt buộc khí nén sạch, khô, không dầu → máy nén không dầu + hệ thống lọc cao cấp.
- Cơ khí, sản xuất thông thường: Ưu tiên lưu lượng và áp suất, yêu cầu sạch ở mức tiêu chuẩn.
Tiêu chuẩn ISO 8573 là căn cứ quan trọng để phân loại chất lượng khí nén theo hạt bụi, độ ẩm, dầu. Dựa vào đó, kỹ sư xác định cấu hình máy nén, máy sấy khí và bộ lọc phù hợp, tối ưu chi phí đầu tư ngay từ đầu.
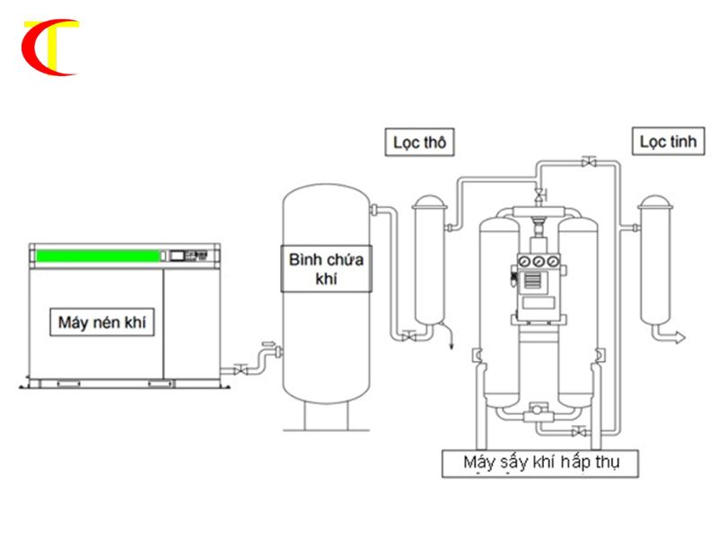
Bước 3: Xác định các thành phần chính của hệ thống
Một hệ thống máy nén khí nhà xưởng hoàn chỉnh thường bao gồm:
- Máy nén khí trục vít: Trung tâm tạo khí nén, quyết định công suất và hiệu quả.
- Bình chứa khí nén: Ổn định áp suất, giảm dao động tải.
- Máy sấy khí công nghiệp: Loại bỏ hơi ẩm, bảo vệ thiết bị đầu cuối.
- Bộ lọc khí nén: Lọc bụi, dầu và tạp chất.
- Thiết bị làm mát: Giảm nhiệt sau nén, tăng tuổi thọ hệ thống.
Việc lựa chọn đồng bộ giúp hệ thống vận hành ổn định, giảm hỏng hóc và tiết kiệm điện năng.

Bước 4: Thiết kế hệ thống phân phối khí và đường ống
Thiết kế đường ống cần dựa trên mặt bằng nhà xưởng, đảm bảo:
- Phân phối khí đều đến mọi điểm sử dụng
- Hạn chế sụt áp và rò rỉ
- Dễ mở rộng trong tương lai
Nên giảm tối đa khúc cua, mối nối chữ T, ống mềm dài. Ống nhôm cao cấp được ưu tiên nhờ độ kín cao, bền và ít thất thoát, giúp tiết kiệm chi phí vận hành dài hạn.
Bước 5: Lựa chọn thiết bị máy nén khí phù hợp
Tùy quy mô và ngân sách, doanh nghiệp có thể lựa chọn:
- Máy piston: Phù hợp quy mô nhỏ, chi phí đầu tư thấp.
- Máy trục vít: Phổ biến nhất trong nhà xưởng, vận hành êm, ổn định.
- Máy ly tâm: Dành cho lưu lượng lớn, công nghiệp nặng.
Với nhu cầu biến động, máy nén khí biến tần giúp tiết kiệm đáng kể điện năng, đặc biệt hiệu quả trong các nhà máy vận hành nhiều ca.
Bước 6: Bố trí vị trí lắp đặt hệ thống
Vị trí lắp đặt ảnh hưởng trực tiếp đến chiều dài đường ống, tổn thất áp suất và tiếng ồn. Phòng máy cần:
- Thông thoáng, thông gió tốt
- Thuận tiện bảo trì
- Có giải pháp tiêu âm phù hợp
Cách bố trí hợp lý giúp nâng cao hiệu suất và giảm chi phí điện năng trong suốt vòng đời hệ thống.
Bước 7: Tính toán thông số kỹ thuật
Một số công thức tham khảo:
- Dung tích bình chứa: Công suất máy nén × 40
- Lưu lượng máy sấy khí: Lưu lượng máy nén × 1.2
- Dung tích lưu trữ: 11–19 lít cho mỗi 1 CFM
Ngoài ra, cần chọn tiết diện dây điện phù hợp công suất để đảm bảo an toàn, hạn chế sụt áp và quá tải khi vận hành liên tục.

Ưu và nhược điểm của hệ thống máy nén khí nhà xưởng
Ưu điểm nổi bật:
- Cung cấp năng lượng ổn định
- An toàn, không cháy nổ
- Ứng dụng đa dạng
Hạn chế cần lưu ý:
- Chi phí đầu tư ban đầu cao
- Cần bảo trì thường xuyên
- Tiếng ồn nếu không có giải pháp cách âm
Tiêu chuẩn lắp đặt hệ thống máy nén khí
Tùy ngành nghề, hệ thống có thể áp dụng:
- Tiêu chuẩn thông thường
- Tiêu chuẩn khí sạch
- DIN ISO 8573-1 Class 1 cho dược, thực phẩm
- Hệ thống chuyên dụng thổi chai PET
Việc lựa chọn đúng tiêu chuẩn giúp cân bằng chi phí đầu tư và hiệu quả sử dụng lâu dài.

Đơn vị thiết kế & thi công hệ thống máy nén khí uy tín
Công ty TNHH Đầu tư Xây dựng và Cơ điện Thăng Long là đơn vị chuyên nghiệp trong lĩnh vực thiết kế và dịch vụ thi công lắp đặt hệ thống máy nén khí cho nhà xưởng, nhà máy và khu công nghiệp trên toàn quốc. Với kinh nghiệm thực tế qua nhiều dự án, Cơ điện Thăng Long tập trung mang đến giải pháp tối ưu, phù hợp từng mô hình sản xuất, giúp doanh nghiệp vận hành ổn định và tiết kiệm chi phí lâu dài.
Lý do nên lựa chọn Cơ điện Thăng Long:
- Khảo sát thực tế, tư vấn giải pháp sát nhu cầu sử dụng khí nén
- Thiết kế hệ thống máy nén khí đúng kỹ thuật, dễ mở rộng
- Thi công lắp đặt đồng bộ, đảm bảo tiến độ và an toàn vận hành
- Kết hợp thi công lắp đặt hệ thống phòng cháy chữa cháy đạt tiêu chuẩn
- Hỗ trợ bảo trì, kỹ thuật nhanh chóng, chuyên nghiệp
Thông tin chi tiết, vui lòng truy cập thanglongem.com, hoặc liên hệ hotline: 0967 800 183 để được tư vấn và báo giá phù hợp.
